永州切换分站 您好!欢迎访问苏州威尔达焊接设备有限公司网站!
苏州威尔达焊接设备有限公司----------让工业焊接更轻松!
全国咨询热线: 13915583428

联系我们

【 微信扫码咨询 】

13915583428

  • 联系人:陈经理
  • 公司地址:苏州市相城区北桥镇生态路8号万企创意园A栋三楼
  • 逆变点焊机电源

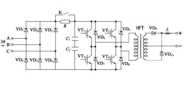
    逆变焊接电源PIW-300B外观与原理图逆变焊接电源PIW-300B产品优势:(1)逆变电源直流方波输出,可设置电流缓升缓降,波形平整,逆变频率2K-8K可以根据客户需求定制,无交流过零点电流不连续的缺陷,热量集中,提高了焊接热效应。(2)由32位单片机控制,具有初级定电流,次级定电流,定电压,定功率,定脉宽占空比,同

    在线咨询全国咨询热线
    13915583428

    逆变焊接电源PIW-300B外观与原理图

    逆变焊接电源

    逆变焊接电源逆变原理图

    逆变点焊电源参数设置画面

    逆变点焊电源输入输出图

     

    逆变焊接电源PIW-300B产品优势:


    (1)逆变电源直流方波输出,可设置电流缓升缓降,波形平整,逆变频率2K-8K可以根据客户需求定制,无交流过零点电流不连续的缺陷,热量集中,提高了焊接热效应。


    (2)由32位单片机控制,具有初级定电流,次级定电流,定电压,定功率,定脉宽占空比,同时对电流,电压,功率,电阻,占空比进行监控。


    (3)采用目前主流的桥式逆变技术,稳定节能可靠。


    (4)焊接过程中具有电流异常,监控值超限,过热等报警,并且通过I/O输出,提高焊接品质。


    (5)硬件自我保护功率,本公司所设计的产品,均采用厚膜保护,外部异常情况下,智能切换IGBT模块的驱动信号,增强系统保护功率。


    (6)多段多次加热设定,电流缓升缓降功能,中间冷却功能,多段重复功率,适合复杂焊接过程,复杂功率的需求。


    (7)63组参数存储,方便多种焊接品种的使用


    (8)电源具有强大的外部通讯功能:外部PLC可以通过8421码调用任何一组程序,具有焊接结束,故障,计数,良品与不良品判断,RS232数据通讯接口,适合自动化焊接。


    (9)该款逆变焊接电源具有强大的数据处理功能,采用目前市场最快的32位ARM芯片,外加逻辑处理器控制,比同行业用的PIC芯片快至少200倍。

    (10)响应速度快,采用了1K,4K,8KHZ的逆变频率,有交流和储能焊机从原理上无法超越的优势,同时也远远领先国内其他同行。



    威尔达逆变焊接电源PIW-300B应用实例:


    逆变焊接电源PIW-300B电容器焊接

    逆变焊接电源PIW-300B电池焊接

    逆变焊接电源PIW-300B功率参数

    点焊电源参数表


    
    在线客服
    联系方式

    热线电话

    13915583428

    上班时间

    周一到周六

    公司电话

    13915583428

    二维码
    线